Ziomek bez garażu B



1. Wiatrołap | 2,70 m² |
2. Hol | 7,00 m² |
3. Schody | 6,70 m² |
4. Garderoba | 3,20 m² |
5. Kuchnia | 5,00 m² |
6. Spiżarnia | 2,60 m² |
7. Salon | 25,60 m² |
8. Pokój | 11,90 m² |
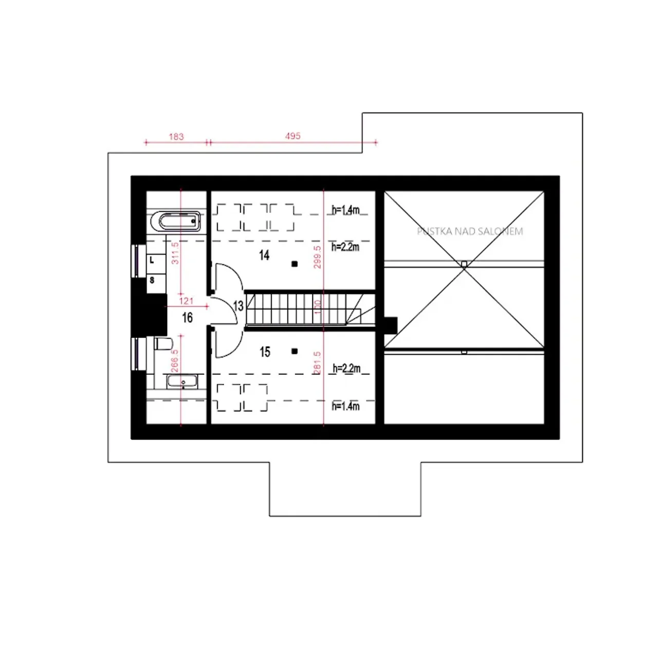
9. Garderoba | 3,40 m² |
10. łazienka | 3,80 m² |
11. Wc | 2,20 m² |
12. Pom. tech. co* | 6,80 m² |
13. Garaż* | 18,70 m² |
Wypełnij formularz i otrzymaj rysunki w pdf z dokładnymi wymiarami budynku i pomieszczeń (długość, szerokość, wysokość) dla projektu Ziomek z garażem 1 st. A
Pow. użytkowa 100.8 m² |
Ilość pokoi 4 |
Powierzchnia zabudowy 127.7 m² |
Kondygnacje parterowy+poddasze |
Garaż 1 stanowisko |
Technologia murowany |
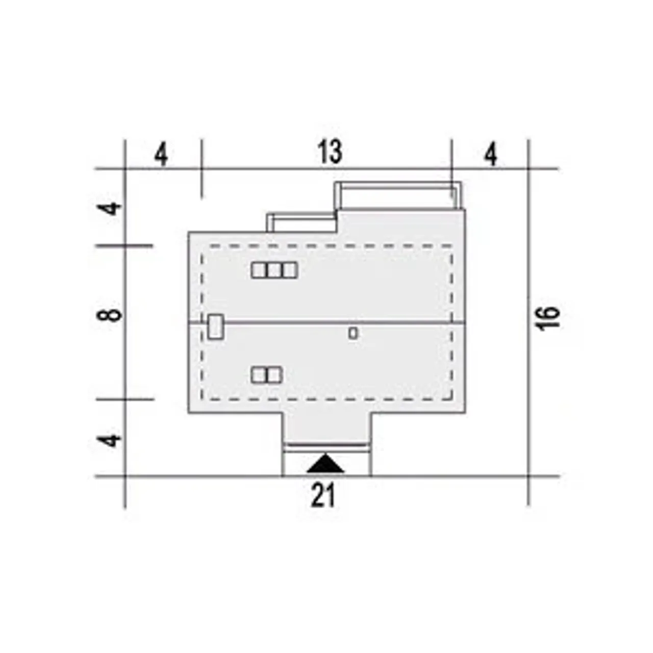
Szerokość działki 23.6 m |
Obiekt dom |
Typ domu jednorodzinny całoroczny |
Kąt nachylenia dachu 45 ° |
Strop gęstożebrowy |
Liczba łazieniek 2 |
Kalenica równoległa do drogi |
Szerokość budynku 16.6 m |
Rodzaj garażu przyklejony |
Kominek kominek w projekcie |
Długość budynku 8 m |
Rodzaj dachu dwuspadowy |
Piwnica bez podpiwniczenia |
Powierzchnia dachu 230.6 m² |
Bryła budynku prosta bryła |
Wysokość budynku 8.2 m |
Długość działki 16 m |
Styl budynku nowoczesny |
Koszty budowy tylko z kosztorysem, 200-250 tys. |
Pow. użytkowa 100.8 m² |
Powierzchnia zabudowy 127.7 m² |
Garaż 1 stanowisko |
Szerokość działki 23.6 m |
Typ domu jednorodzinny całoroczny |
Strop gęstożebrowy |
Kalenica równoległa do drogi |
Rodzaj garażu przyklejony |
Długość budynku 8 m |
Piwnica bez podpiwniczenia |
Bryła budynku prosta bryła |
Długość działki 16 m |
Koszty budowy tylko z kosztorysem, 200-250 tys. |
Ilość pokoi 4 |
Kondygnacje parterowy+poddasze |
Technologia murowany |
Obiekt dom |
Kąt nachylenia dachu 45 ° |
Liczba łazieniek 2 |
Szerokość budynku 16.6 m |
Kominek kominek w projekcie |
Rodzaj dachu dwuspadowy |
Powierzchnia dachu 230.6 m² |
Wysokość budynku 8.2 m |
Styl budynku nowoczesny |
Kupując projekt w technologii murowanej powinieneś budować dom murowany. Zupełna zmiana technologii na szkieletową wymaga przeprojektowania całego budynku ( zmieniają się obciążenia, fundamenty, konstrukcja dachu). Wydamy zgodę na takie przeprojektowanie jednak wiążę się to z dużymi kosztami. Istnieją firmy wykonawcze, które podejmują się zmiany technologii budowy bezpłatnie przy skorzystaniu z ich usług wykonawczych. Zdarza się, że pracownia architektoniczna przygotowuje warianty konkretnego projektu przewidując także inne technologie. Prosimy o sprawdzenie czy istnieje poszukiwana wersja projektu, w zakładce - warianty projektu.
Zwężenie/poszerzenie budynku* to nic innego jak zmiana w projekcie. Istnieje możliwość wprowadzenia takich zmian, we własnym zakresie (podczas adaptacji). *zwężenie/poszerzenie budynku nie powinno stanowić problemu w przypadku domów o dachu dwuspadowym jeśli wiąże się to z wydłużeniem/skróceniem kalenicy dachu.
Poznaj praktyczne porady ekspertów, które ułatwią Ci każdy etap budowy i od wyboru wymarzonego domu po jego wykończenie. Zyskaj pewność, że podejmujesz najlepsze decyzje dzięki sprawdzonym wskazówkom od specjalistów z planz.pl
Wycena szacunkowa, w kwotach netto, nie zawiera instalacji.
bezpłatnie (0zł)
przelew zwykły / PayNow
przy odbiorze
3-5 dni roboczych (jeśli projekt nie jest koncepcją)
Projekt domu 'Ziomek' z garażem to nowoczesny wybór! Idealnie wpisuje się w moje poszukiwania estetyczne i funkcjonalne.
Wybierz wygodny dla Ciebie czas kontaktu z naszym Doradcą Technicznym.