Żurawinka II z garażem 1-st. A1



Wypełnij formularz i otrzymaj rysunki w pdf z dokładnymi wymiarami budynku i pomieszczeń (długość, szerokość, wysokość) dla projektu Żurawinka II bez garażu B
Pow. użytkowa 94.7 m² |
Ilość pokoi 4 |
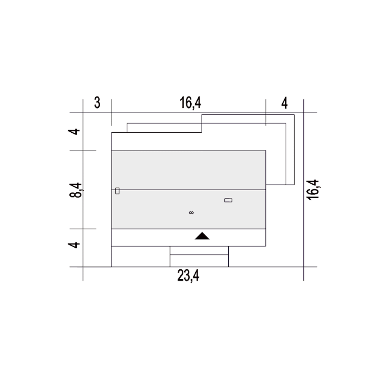
Powierzchnia zabudowy 134.8 m² |
Kondygnacje parterowy |
Garaż bez garażu |
Technologia murowany |
Szerokość działki 23.4 m |
Obiekt dom |
Typ domu jednorodzinny całoroczny |
Bryła budynku prosta bryła |
Styl budynku nowoczesny |
Liczba łazieniek 2 |
Kąt nachylenia dachu 40 ° |
Kalenica równoległa do drogi |
Szerokość budynku 16.4 m |
Kominek kominek w projekcie |
Długość budynku 8.4 m |
Rodzaj dachu dwuspadowy |
Piwnica bez podpiwniczenia |
Powierzchnia dachu 175 m² |
Wysokość budynku 7.5 m |
Długość działki 16.4 m |
Koszty budowy 300-350 tys., tylko z kosztorysem |
Pow. użytkowa 94.7 m² |
Powierzchnia zabudowy 134.8 m² |
Garaż bez garażu |
Szerokość działki 23.4 m |
Typ domu jednorodzinny całoroczny |
Styl budynku nowoczesny |
Kąt nachylenia dachu 40 ° |
Szerokość budynku 16.4 m |
Długość budynku 8.4 m |
Piwnica bez podpiwniczenia |
Wysokość budynku 7.5 m |
Koszty budowy 300-350 tys., tylko z kosztorysem |
Ilość pokoi 4 |
Kondygnacje parterowy |
Technologia murowany |
Obiekt dom |
Bryła budynku prosta bryła |
Liczba łazieniek 2 |
Kalenica równoległa do drogi |
Kominek kominek w projekcie |
Rodzaj dachu dwuspadowy |
Powierzchnia dachu 175 m² |
Długość działki 16.4 m |
Kupując projekt w technologii murowanej powinieneś budować dom murowany. Zupełna zmiana technologii na szkieletową wymaga przeprojektowania całego budynku ( zmieniają się obciążenia, fundamenty, konstrukcja dachu). Wydamy zgodę na takie przeprojektowanie jednak wiążę się to z dużymi kosztami. Istnieją firmy wykonawcze, które podejmują się zmiany technologii budowy bezpłatnie przy skorzystaniu z ich usług wykonawczych. Zdarza się, że pracownia architektoniczna przygotowuje warianty konkretnego projektu przewidując także inne technologie. Prosimy o sprawdzenie czy istnieje poszukiwana wersja projektu, w zakładce - warianty projektu.
Zwężenie/poszerzenie budynku* to nic innego jak zmiana w projekcie. Istnieje możliwość wprowadzenia takich zmian, we własnym zakresie (podczas adaptacji). *zwężenie/poszerzenie budynku nie powinno stanowić problemu w przypadku domów o dachu dwuspadowym jeśli wiąże się to z wydłużeniem/skróceniem kalenicy dachu.
Poznaj praktyczne porady ekspertów, które ułatwią Ci każdy etap budowy i od wyboru wymarzonego domu po jego wykończenie. Zyskaj pewność, że podejmujesz najlepsze decyzje dzięki sprawdzonym wskazówkom od specjalistów z planz.pl
Wycena szacunkowa, w kwotach netto, nie zawiera instalacji.
bezpłatnie (0zł)
przelew zwykły / PayNow
przy odbiorze
3-5 dni roboczych (jeśli projekt nie jest koncepcją)
Intrygujący projekt, zapewniający wyrafinowaną prostotę i funkcjonalność. Przemyślane rozplanowanie przestrzeni mogłoby umożliwić komfortowe życie.
Wybierz wygodny dla Ciebie czas kontaktu z naszym Doradcą Technicznym.