Nowalia II Mode garażem 1-st. A



1. Wiatrołap | 2,70 m² |
2. Hol z garderobą | 6,80 m² |
3. Spiżarnia | 1,50 m² |
4. Kuchnia | 10,00 m² |
5. Salon z jadalnią | 26,70 m² |
6. Schody | 3,60 m² |
7. Pokój | 12,50 m² |
8. łazienka | 2,30 m² |
9. Wc | 2,00 m² |
10. Pom. tech. co | 3,70 m² |
11. Garaż | 19,00 m² |
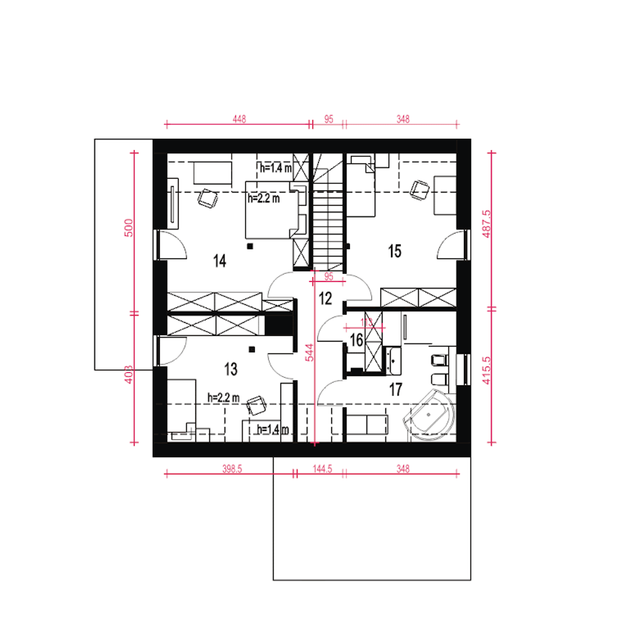
1. Hol | 6,70 m² |
2. Pokój | 12,50 m² |
3. Pokój | 18,40 m² |
4. Pokój | 14,30 m² |
5. Garderoba | 2,10 m² |
6. łazienka | 8,70 m² |
Wypełnij formularz i otrzymaj rysunki w pdf z dokładnymi wymiarami budynku i pomieszczeń (długość, szerokość, wysokość) dla projektu Nowalia II Mode garażem 1-st. A
Pow. użytkowa 130.9 m² |
Ilość pokoi 5 |
Powierzchnia zabudowy 118.3 m² |
Kondygnacje parterowy+poddasze |
Garaż 1 stanowisko |
Technologia murowany |
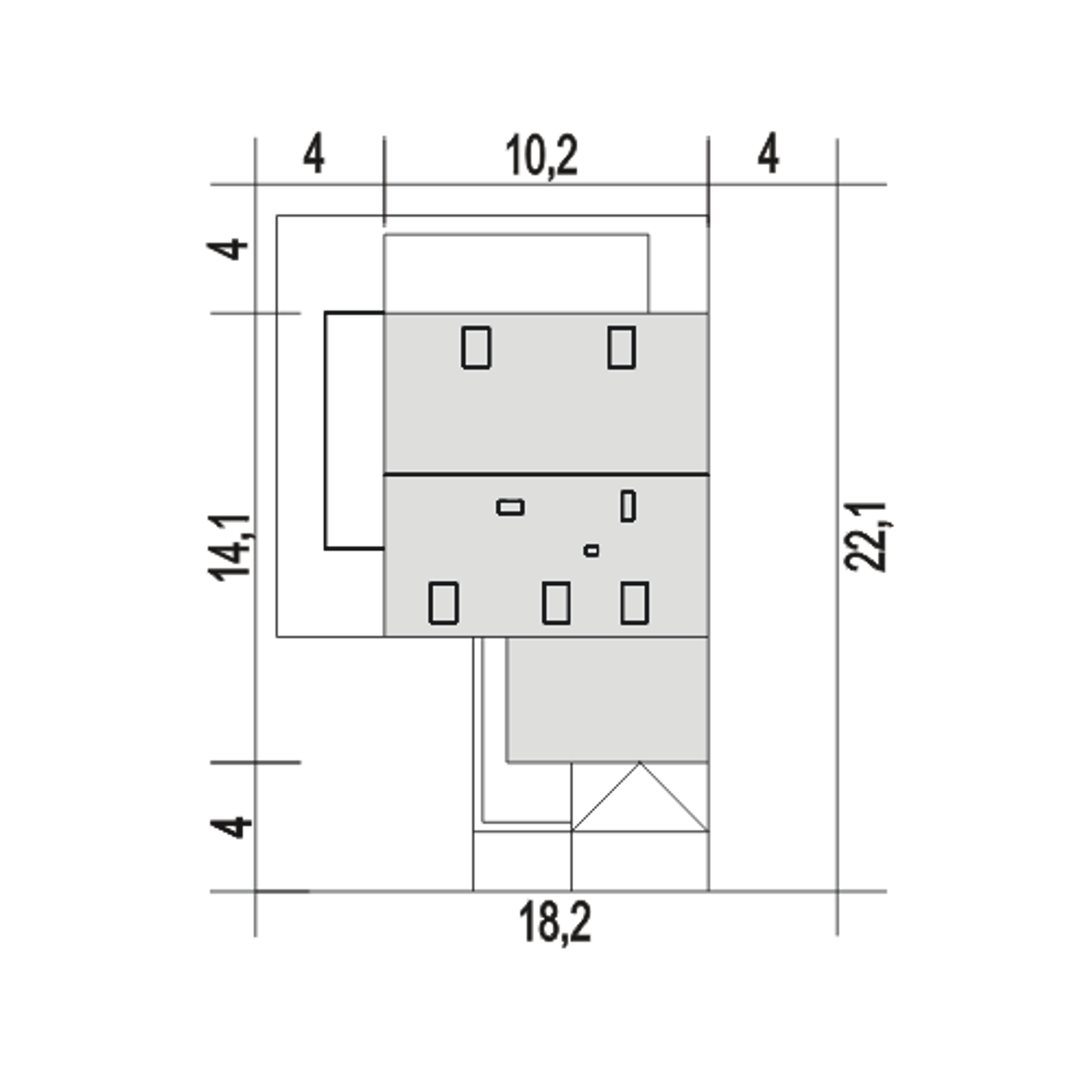
Szerokość działki 18.2 m |
Obiekt dom |
Typ domu jednorodzinny całoroczny |
Liczba łazieniek 2 |
Kąt nachylenia dachu 40 ° |
Szerokość budynku 10.2 m |
Rodzaj garażu z przodu |
Kominek kominek w projekcie |
Strop żelbetowy |
Długość budynku 14.1 m |
Rodzaj dachu dwuspadowy |
Piwnica bez podpiwniczenia |
Kalenica równoległa do drogi |
Powierzchnia dachu 165.2 m² |
Przechowywanie w kuchni spiżarnia |
Wysokość budynku 9.2 m |
Długość działki 22.1 m |
Styl budynku nowoczesny |
Koszty budowy 450-500 tys., tylko z kosztorysem |
Pow. użytkowa 130.9 m² |
Powierzchnia zabudowy 118.3 m² |
Garaż 1 stanowisko |
Szerokość działki 18.2 m |
Typ domu jednorodzinny całoroczny |
Kąt nachylenia dachu 40 ° |
Rodzaj garażu z przodu |
Strop żelbetowy |
Rodzaj dachu dwuspadowy |
Kalenica równoległa do drogi |
Przechowywanie w kuchni spiżarnia |
Długość działki 22.1 m |
Koszty budowy 450-500 tys., tylko z kosztorysem |
Ilość pokoi 5 |
Kondygnacje parterowy+poddasze |
Technologia murowany |
Obiekt dom |
Liczba łazieniek 2 |
Szerokość budynku 10.2 m |
Kominek kominek w projekcie |
Długość budynku 14.1 m |
Piwnica bez podpiwniczenia |
Powierzchnia dachu 165.2 m² |
Wysokość budynku 9.2 m |
Styl budynku nowoczesny |
Kupując projekt w technologii murowanej powinieneś budować dom murowany. Zupełna zmiana technologii na szkieletową wymaga przeprojektowania całego budynku ( zmieniają się obciążenia, fundamenty, konstrukcja dachu). Wydamy zgodę na takie przeprojektowanie jednak wiążę się to z dużymi kosztami. Istnieją firmy wykonawcze, które podejmują się zmiany technologii budowy bezpłatnie przy skorzystaniu z ich usług wykonawczych. Zdarza się, że pracownia architektoniczna przygotowuje warianty konkretnego projektu przewidując także inne technologie. Prosimy o sprawdzenie czy istnieje poszukiwana wersja projektu, w zakładce - warianty projektu.
Zwężenie/poszerzenie budynku* to nic innego jak zmiana w projekcie. Istnieje możliwość wprowadzenia takich zmian, we własnym zakresie (podczas adaptacji). *zwężenie/poszerzenie budynku nie powinno stanowić problemu w przypadku domów o dachu dwuspadowym jeśli wiąże się to z wydłużeniem/skróceniem kalenicy dachu.
Poznaj praktyczne porady ekspertów, które ułatwią Ci każdy etap budowy i od wyboru wymarzonego domu po jego wykończenie. Zyskaj pewność, że podejmujesz najlepsze decyzje dzięki sprawdzonym wskazówkom od specjalistów z planz.pl
Wycena szacunkowa, w kwotach netto, nie zawiera instalacji.
bezpłatnie (0zł)
przelew zwykły / PayNow
przy odbiorze
3-5 dni roboczych (jeśli projekt nie jest koncepcją)
Wybierz wygodny dla Ciebie czas kontaktu z naszym Doradcą Technicznym.