Kołysanka z garażem 1-st. A



1. Wiatrołap | 3,80 m² |
2. Komunikacja | 8,30 m² |
3. Schody | 4,00 m² |
4. Kuchnia | 6,20 m² |
5. Spiżarnia | 2,30 m² |
6. Salon | 23,70 m² |
7. Pokój | 12,00 m² |
8. łazienka | 3,70 m² |
9. Wc | 1,80 m² |
10. Pom. techniczne | 8,20 m² |
11. Garaż | 21,60 m² |
1. Hol | 7,50 m² |
2. Pokój | 24,80 (31,20) m² |
3. Pokój | 14,90 (19,30) m² |
4. Pokój | 23,20 (29,10) m² |
5. łazienka | 6,60 (7,80) m² |
Wypełnij formularz i otrzymaj rysunki w pdf z dokładnymi wymiarami budynku i pomieszczeń (długość, szerokość, wysokość) dla projektu Kołysanka z garażem 1-st. A
Ilość pokoi 5 |
Pow. użytkowa 142.7 m² |
Powierzchnia zabudowy 123.7 m² |
Kondygnacje parterowy+poddasze |
Garaż 1 stanowisko |
Technologia murowany |
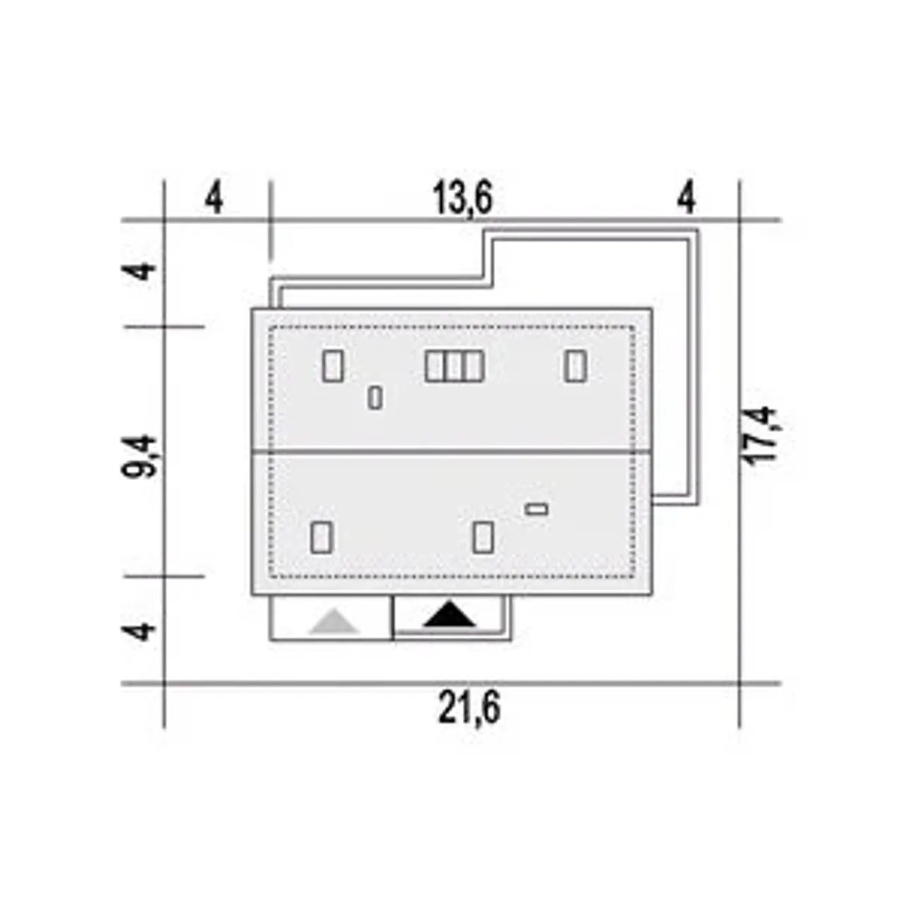
Szerokość działki 21.6 m |
Obiekt dom |
Typ domu jednorodzinny całoroczny |
Kąt nachylenia dachu 45 ° |
Rodzaj dachu dwuspadowy |
Liczba łazieniek 2 |
Szerokość budynku 13.6 m |
Kominek kominek w projekcie |
Długość budynku 9.4 m |
Piwnica bez podpiwniczenia |
Powierzchnia dachu 227.3 m² |
Styl budynku nowoczesny |
Wysokość budynku 9 m |
Kalenica równoległa do drogi |
Długość działki 17.4 m |
Ilość pokoi 5 |
Powierzchnia zabudowy 123.7 m² |
Garaż 1 stanowisko |
Szerokość działki 21.6 m |
Typ domu jednorodzinny całoroczny |
Rodzaj dachu dwuspadowy |
Szerokość budynku 13.6 m |
Długość budynku 9.4 m |
Powierzchnia dachu 227.3 m² |
Wysokość budynku 9 m |
Długość działki 17.4 m |
Pow. użytkowa 142.7 m² |
Kondygnacje parterowy+poddasze |
Technologia murowany |
Obiekt dom |
Kąt nachylenia dachu 45 ° |
Liczba łazieniek 2 |
Kominek kominek w projekcie |
Piwnica bez podpiwniczenia |
Styl budynku nowoczesny |
Kalenica równoległa do drogi |
Kupując projekt w technologii murowanej powinieneś budować dom murowany. Zupełna zmiana technologii na szkieletową wymaga przeprojektowania całego budynku ( zmieniają się obciążenia, fundamenty, konstrukcja dachu). Wydamy zgodę na takie przeprojektowanie jednak wiążę się to z dużymi kosztami. Istnieją firmy wykonawcze, które podejmują się zmiany technologii budowy bezpłatnie przy skorzystaniu z ich usług wykonawczych. Zdarza się, że pracownia architektoniczna przygotowuje warianty konkretnego projektu przewidując także inne technologie. Prosimy o sprawdzenie czy istnieje poszukiwana wersja projektu, w zakładce - warianty projektu.
Zwężenie/poszerzenie budynku* to nic innego jak zmiana w projekcie. Istnieje możliwość wprowadzenia takich zmian, we własnym zakresie (podczas adaptacji). *zwężenie/poszerzenie budynku nie powinno stanowić problemu w przypadku domów o dachu dwuspadowym jeśli wiąże się to z wydłużeniem/skróceniem kalenicy dachu.
Poznaj praktyczne porady ekspertów, które ułatwią Ci każdy etap budowy i od wyboru wymarzonego domu po jego wykończenie. Zyskaj pewność, że podejmujesz najlepsze decyzje dzięki sprawdzonym wskazówkom od specjalistów z planz.pl
bezpłatnie (0zł)
przelew zwykły / PayNow
przy odbiorze
3-5 dni roboczych (jeśli projekt nie jest koncepcją)
Projekt domu Kołysanka wyróżnia się współczesnym stylem. Elewacja imponuje swoją prostotą oraz elegancją. Przestronne okna sugerują jasne i przestronne wnętrza. Dach został zintegrowany z resztą projektu w zmyślny sposób. Detale wykończeń są starannie dobrane. Bryła budynku jest zarówno harmonijna, jak i spójna. Otoczenie domu jest starannie zaplanowane. Każdy aspekt tego projektu sprawia wrażenie dogłębnie przemyślanego. Zastanawiam się nad zakupem projektu i realizacją budowy tego domu.
Wybierz wygodny dla Ciebie czas kontaktu z naszym Doradcą Technicznym.