Igor z garażem 1-st. A
 murowany
 murowany                                         1 stanowisko
 1 stanowisko                                         parterowy+poddasze
 parterowy+poddasze                                        | 1. Wiatrołap | 5,60 m² | 
| 2. Hol | 7,90 m² | 
| 3. Wc | 2,10 m² | 
| 4. Kuchnia + spiżarnia | 11,10 m² | 
| 5. Salon | 23,80 m² | 
| 6. Schody | 4,90 m² | 
| 7. Pom. techniczne z co | 6,80 m² | 
| 8. Garaż | 19,00 m² | 
| 1. Hol | 7,50 (7,50) m² | 
| 2. Pokój | 10,30 (13,10) m² | 
| 3. Pokój | 10,60 (13,50) m² | 
| 4. Strych | 3,40 (5,00) m² | 
| 5. łazienka | 6,30 (9,30) m² | 
| 6. Pralnia | 2,20 (3,30) m² | 
| 7. łazienka | 3,50 (3,50) m² | 
| 8. Pokój | 15,60 (19,80) m² | 
Wypełnij formularz i otrzymaj rysunki w pdf z dokładnymi wymiarami budynku i pomieszczeń (długość, szerokość, wysokość) dla projektu Igor z garażem 1-st. bliźniak A1-BL
 
                                | Ilość pokoi 4 | 
| Pow. użytkowa 218.4 m² | 
| Powierzchnia zabudowy 202.7 m² | 
| Kondygnacje parterowy+poddasze | 
| Garaż 1 stanowisko | 
| Technologia murowany | 
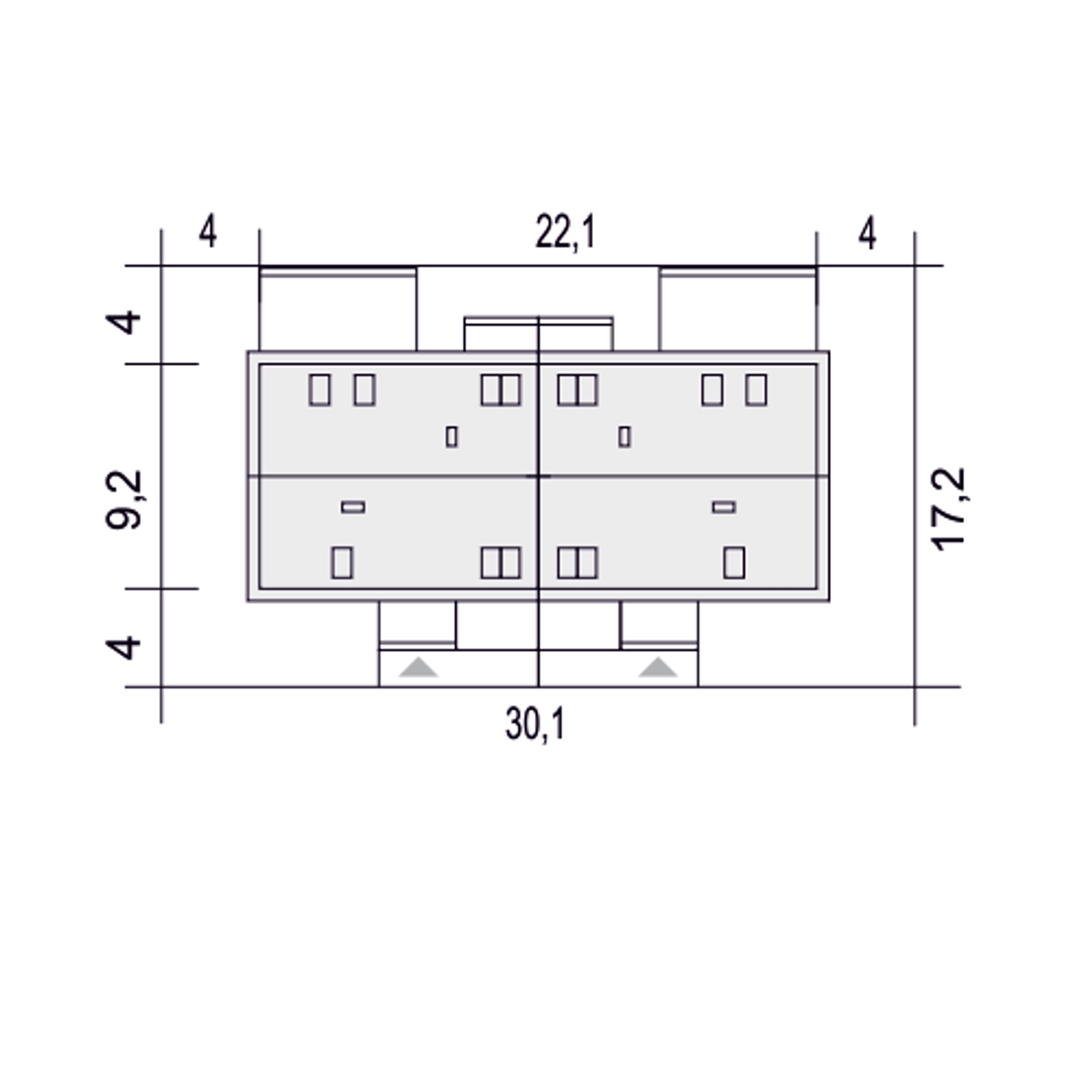
| Szerokość działki 30.1 m | 
| Obiekt dom | 
| Typ domu bliźniak i dwurodzinny | 
| Funkcje dodatkowe z pralnią | 
| Powierzchnia dachu 331 m² | 
| Rodzaj dachu dwuspadowy | 
| Wysokość budynku 9.1 m | 
| Długość działki 17.2 m | 
| Bryła budynku prosta bryła | 
| Styl budynku tradycyjny | 
| Liczba łazieniek 1 | 
| Kominek kominek w projekcie | 
| Kąt nachylenia dachu 45 ° | 
| Strop żelbetowy | 
| Szerokość budynku 22.1 m | 
| Kotłownia duża kotłownia | 
| Kalenica równoległa do drogi | 
| Długość budynku 9.2 m | 
| Rodzaj garażu w bryle | 
| Piwnica bez podpiwniczenia | 
| Koszty budowy tylko z kosztorysem, 250-300 tys. | 
| Ilość pokoi 4 | 
| Powierzchnia zabudowy 202.7 m² | 
| Garaż 1 stanowisko | 
| Szerokość działki 30.1 m | 
| Typ domu bliźniak i dwurodzinny | 
| Powierzchnia dachu 331 m² | 
| Wysokość budynku 9.1 m | 
| Bryła budynku prosta bryła | 
| Liczba łazieniek 1 | 
| Kąt nachylenia dachu 45 ° | 
| Szerokość budynku 22.1 m | 
| Kalenica równoległa do drogi | 
| Rodzaj garażu w bryle | 
| Koszty budowy tylko z kosztorysem, 250-300 tys. | 
| Pow. użytkowa 218.4 m² | 
| Kondygnacje parterowy+poddasze | 
| Technologia murowany | 
| Obiekt dom | 
| Funkcje dodatkowe z pralnią | 
| Rodzaj dachu dwuspadowy | 
| Długość działki 17.2 m | 
| Styl budynku tradycyjny | 
| Kominek kominek w projekcie | 
| Strop żelbetowy | 
| Kotłownia duża kotłownia | 
| Długość budynku 9.2 m | 
| Piwnica bez podpiwniczenia | 
Tak. Projekty dostępne na Planz.pl zawierają pełną dokumentację potrzebną do uzyskania pozwolenia na budowę i stanowią gwarancję sprawnej realizacji budowy.
Jesteśmy oficjalnym partnerem ponad 50 pracowni architektonicznych z całej Polski - dlatego każdy projekt pochodzi wyłącznie od autorów zrzeszonych w Izbie Architektów RP.
Planz.pl to polska firma działającą na rynku od 12 lat. Mamy tysiące zadowolonych klientów, doskonałe opinie i oferujemy wsparcie również po zakupie, doradzamy, pomagamy w adaptacji i pozostajemy w kontakcie na każdym etapie inwestycji.
Dodatkowo do każdego projektu dodajemy tablicę informacyjną, dziennik budowy oraz 16 projektów elektronicznych drewnianej architektury ogrodowej. A dzięki naszej współpracy z markami Blaupunkt i PRIME3 oferujemy możliwość otrzymania sprzętu elektrycznego w formie atrakcyjnego gratisu.
Wybierając Planz.pl, otrzymujesz ten sam oryginalny projekt od autora, wzbogacony o realne dodatki, które ułatwiają rozpoczęcie budowy.
Zwężenie/poszerzenie budynku* to nic innego jak zmiana w projekcie. Istnieje możliwość wprowadzenia takich zmian, we własnym zakresie (podczas adaptacji). *zwężenie/poszerzenie budynku nie powinno stanowić problemu w przypadku domów o dachu dwuspadowym jeśli wiąże się to z wydłużeniem/skróceniem kalenicy dachu.
Poznaj praktyczne porady ekspertów, które ułatwią Ci każdy etap budowy i od wyboru wymarzonego domu po jego wykończenie. Zyskaj pewność, że podejmujesz najlepsze decyzje dzięki sprawdzonym wskazówkom od specjalistów z planz.pl
Dodatki możesz kupić razem z projektem lub dokupić po czasie
 [Planz] Tablica budowlana (0 zł)
            
            [Planz] Tablica budowlana (0 zł)           [Planz] Dziennik budowy (0 zł)
            
            [Planz] Dziennik budowy (0 zł)           [Planz] Wiertarka udarowa (0 zł)
            
            [Planz] Wiertarka udarowa (0 zł)           [Planz] Zgoda na zmiany w projekcie (0 zł)
            
            [Planz] Zgoda na zmiany w projekcie (0 zł)           [Planz] Projekty architektury ogrodowej (0 zł)
            
            [Planz] Projekty architektury ogrodowej (0 zł)           [Planz] Charakterystyka energetyczna, tylko dla domów całorocznych (0 zł)
            
            [Planz] Charakterystyka energetyczna, tylko dla domów całorocznych (0 zł)           
		bezpłatnie (0zł)
 
		
			przelew zwykły / PayNow
			przy odbiorze
 
		3-5 dni roboczych (jeśli projekt nie jest koncepcją)
 murowany
 murowany                                         1 stanowisko
 1 stanowisko                                         parterowy+poddasze
 parterowy+poddasze                                         murowany
 murowany                                         1 stanowisko
 1 stanowisko                                         parterowy+poddasze
 parterowy+poddasze                                         
                                   
                                  Wycena szacunkowa, w kwotach netto, nie zawiera instalacji.
Wybierz wygodny dla Ciebie czas kontaktu z naszym Doradcą Technicznym.