Iggi bez garażu B



Wypełnij formularz i otrzymaj rysunki w pdf z dokładnymi wymiarami budynku i pomieszczeń (długość, szerokość, wysokość) dla projektu Iggi bez garażu B
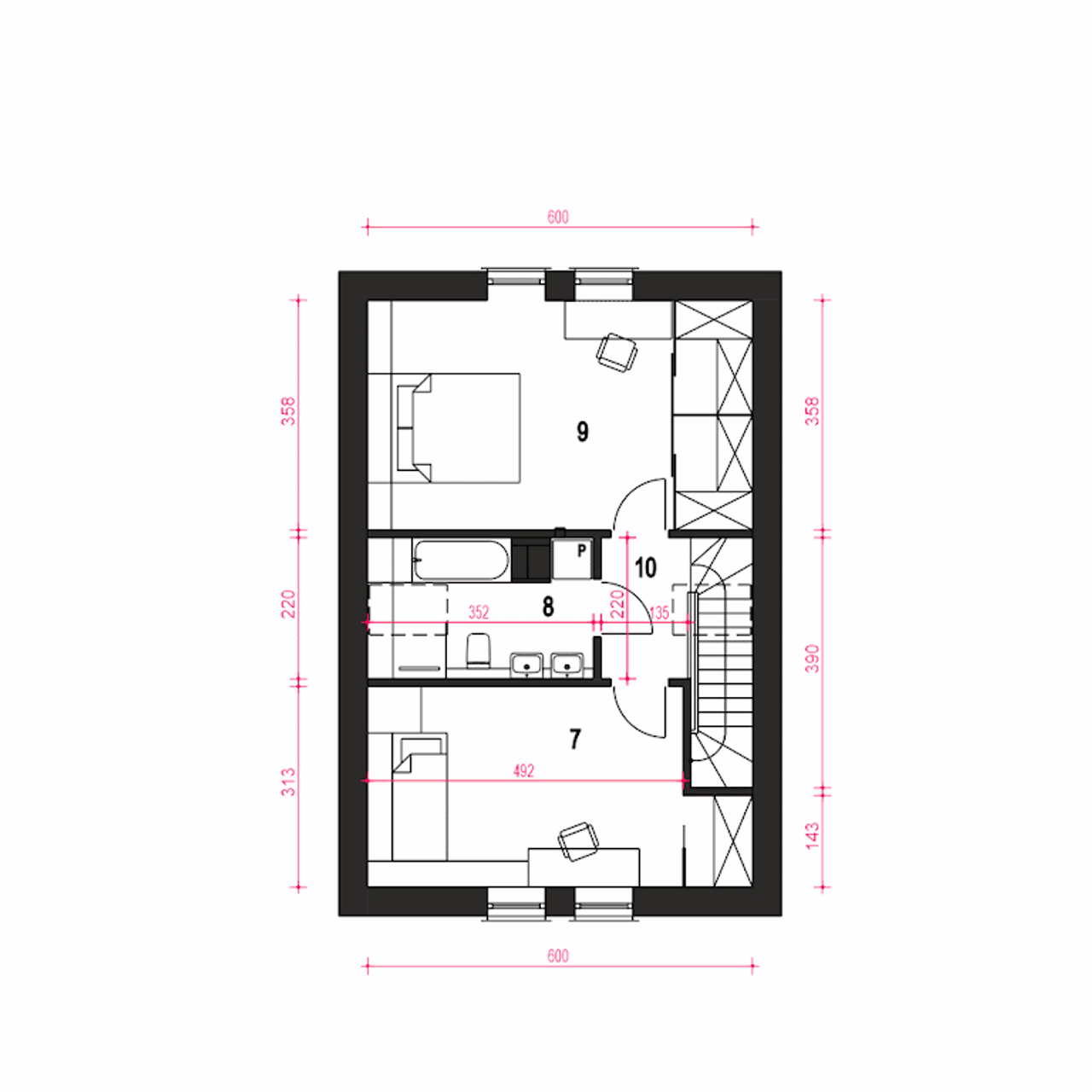
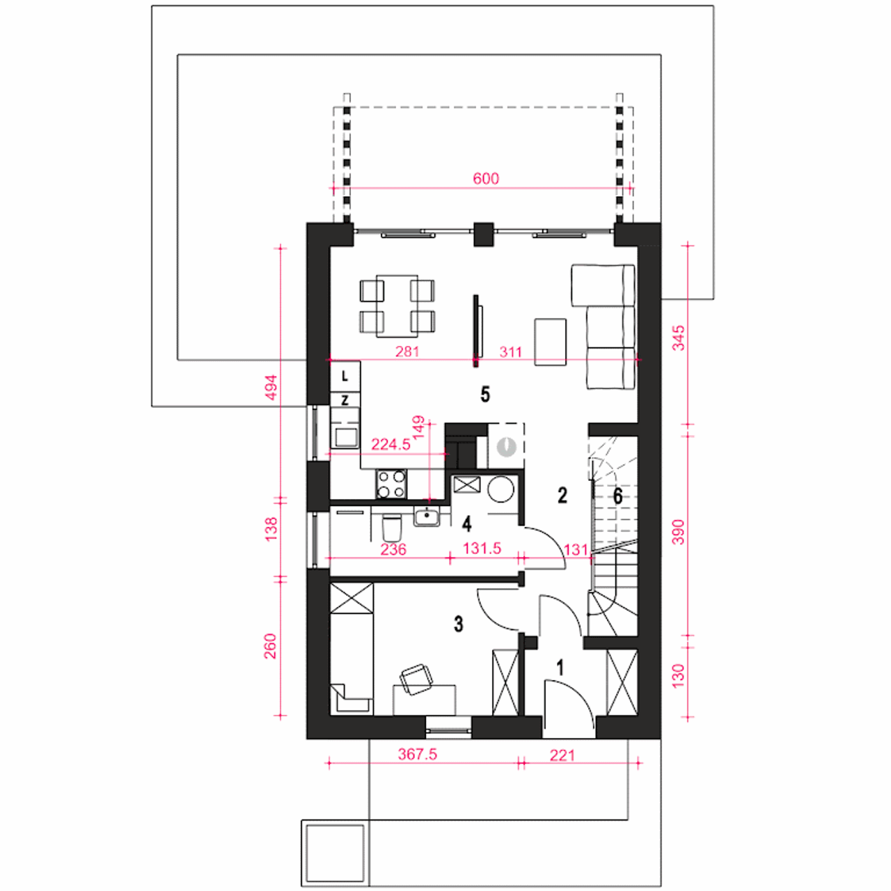
Pow. użytkowa 93.1 m² |
Ilość pokoi 4 |
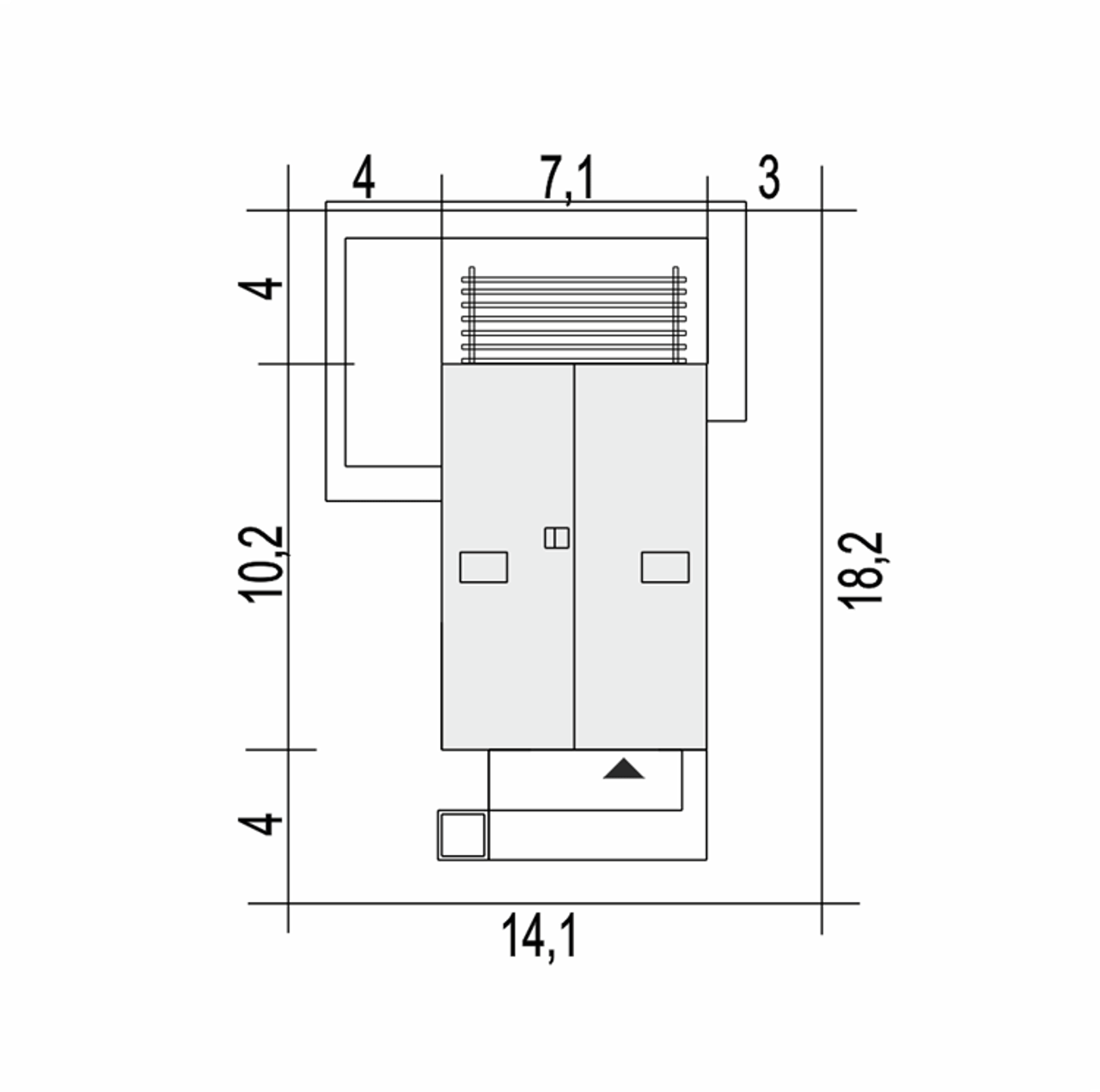
Powierzchnia zabudowy 69.9 m² |
Kondygnacje parterowy+poddasze |
Garaż bez garażu |
Technologia murowany |
Szerokość działki 14.1 m |
Obiekt dom |
Typ domu jednorodzinny całoroczny |
Wysokość budynku 8.5 m |
Bryła budynku prosta bryła |
Styl budynku nowoczesny |
Liczba łazieniek 2 |
Szerokość budynku 7.1 m |
Kominek kominek w projekcie |
Kąt nachylenia dachu 45 ° |
Strop gęstożebrowy |
Długość budynku 10.2 m |
Piwnica bez podpiwniczenia |
Kalenica prostopadła do drogi |
Kubatura 465.8 m³ |
Rodzaj dachu dwuspadowy |
Powierzchnia dachu 98.1 m² |
Długość działki 18.2 m |
Koszty budowy 300-350 tys., tylko z kosztorysem |
Pow. użytkowa 93.1 m² |
Powierzchnia zabudowy 69.9 m² |
Garaż bez garażu |
Szerokość działki 14.1 m |
Typ domu jednorodzinny całoroczny |
Bryła budynku prosta bryła |
Liczba łazieniek 2 |
Kominek kominek w projekcie |
Strop gęstożebrowy |
Piwnica bez podpiwniczenia |
Kubatura 465.8 m³ |
Powierzchnia dachu 98.1 m² |
Koszty budowy 300-350 tys., tylko z kosztorysem |
Ilość pokoi 4 |
Kondygnacje parterowy+poddasze |
Technologia murowany |
Obiekt dom |
Wysokość budynku 8.5 m |
Styl budynku nowoczesny |
Szerokość budynku 7.1 m |
Kąt nachylenia dachu 45 ° |
Długość budynku 10.2 m |
Kalenica prostopadła do drogi |
Rodzaj dachu dwuspadowy |
Długość działki 18.2 m |
Kupując projekt w technologii murowanej powinieneś budować dom murowany. Zupełna zmiana technologii na szkieletową wymaga przeprojektowania całego budynku ( zmieniają się obciążenia, fundamenty, konstrukcja dachu). Wydamy zgodę na takie przeprojektowanie jednak wiążę się to z dużymi kosztami. Istnieją firmy wykonawcze, które podejmują się zmiany technologii budowy bezpłatnie przy skorzystaniu z ich usług wykonawczych. Zdarza się, że pracownia architektoniczna przygotowuje warianty konkretnego projektu przewidując także inne technologie. Prosimy o sprawdzenie czy istnieje poszukiwana wersja projektu, w zakładce - warianty projektu.
Zwężenie/poszerzenie budynku* to nic innego jak zmiana w projekcie. Istnieje możliwość wprowadzenia takich zmian, we własnym zakresie (podczas adaptacji). *zwężenie/poszerzenie budynku nie powinno stanowić problemu w przypadku domów o dachu dwuspadowym jeśli wiąże się to z wydłużeniem/skróceniem kalenicy dachu.
Poznaj praktyczne porady ekspertów, które ułatwią Ci każdy etap budowy i od wyboru wymarzonego domu po jego wykończenie. Zyskaj pewność, że podejmujesz najlepsze decyzje dzięki sprawdzonym wskazówkom od specjalistów z planz.pl
Wycena szacunkowa, w kwotach netto, nie zawiera instalacji.
bezpłatnie (0zł)
przelew zwykły / PayNow
przy odbiorze
3-5 dni roboczych (jeśli projekt nie jest koncepcją)
Wybierz wygodny dla Ciebie czas kontaktu z naszym Doradcą Technicznym.