Bratek V z garażem 1-st. A



Wypełnij formularz i otrzymaj rysunki w pdf z dokładnymi wymiarami budynku i pomieszczeń (długość, szerokość, wysokość) dla projektu Bratek V z garażem 1-st. A
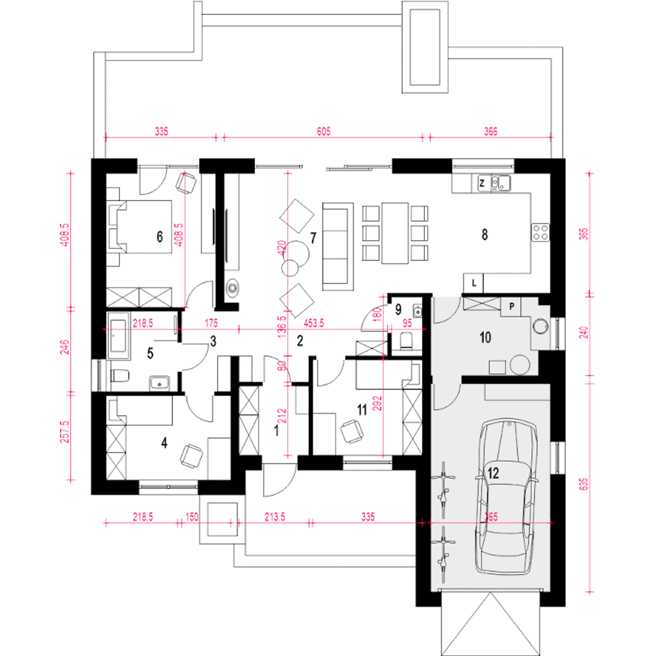
Ilość pokoi 3 |
Pow. użytkowa 93.9 m² |
Powierzchnia zabudowy 164.5 m² |
Kondygnacje parterowy |
Garaż 1 stanowisko |
Technologia murowany |
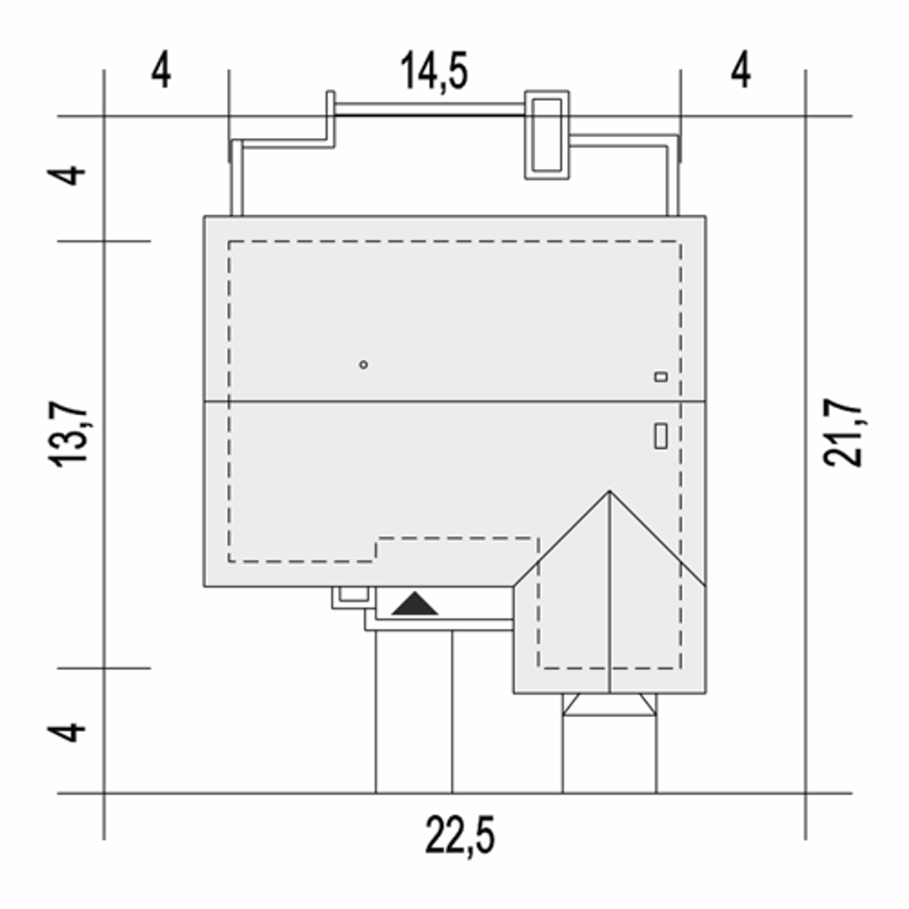
Szerokość działki 22.5 m |
Obiekt dom |
Typ domu jednorodzinny całoroczny |
Styl budynku nowoczesny |
Długość działki 21.7 m |
Kąt nachylenia dachu 25 ° |
Rodzaj dachu dwuspadowy |
Liczba łazieniek 1 |
Szerokość budynku 14.5 m |
Kominek kominek opcjonalnie |
Długość budynku 13.7 m |
Piwnica bez podpiwniczenia |
Wysokość budynku 6.1 m |
Kalenica równoległa do drogi |
Ilość pokoi 3 |
Powierzchnia zabudowy 164.5 m² |
Garaż 1 stanowisko |
Szerokość działki 22.5 m |
Typ domu jednorodzinny całoroczny |
Długość działki 21.7 m |
Rodzaj dachu dwuspadowy |
Szerokość budynku 14.5 m |
Długość budynku 13.7 m |
Wysokość budynku 6.1 m |
Pow. użytkowa 93.9 m² |
Kondygnacje parterowy |
Technologia murowany |
Obiekt dom |
Styl budynku nowoczesny |
Kąt nachylenia dachu 25 ° |
Liczba łazieniek 1 |
Kominek kominek opcjonalnie |
Piwnica bez podpiwniczenia |
Kalenica równoległa do drogi |
Kupując projekt w technologii murowanej powinieneś budować dom murowany. Zupełna zmiana technologii na szkieletową wymaga przeprojektowania całego budynku ( zmieniają się obciążenia, fundamenty, konstrukcja dachu). Wydamy zgodę na takie przeprojektowanie jednak wiążę się to z dużymi kosztami. Istnieją firmy wykonawcze, które podejmują się zmiany technologii budowy bezpłatnie przy skorzystaniu z ich usług wykonawczych. Zdarza się, że pracownia architektoniczna przygotowuje warianty konkretnego projektu przewidując także inne technologie. Prosimy o sprawdzenie czy istnieje poszukiwana wersja projektu, w zakładce - warianty projektu.
Zwężenie/poszerzenie budynku* to nic innego jak zmiana w projekcie. Istnieje możliwość wprowadzenia takich zmian, we własnym zakresie (podczas adaptacji). *zwężenie/poszerzenie budynku nie powinno stanowić problemu w przypadku domów o dachu dwuspadowym jeśli wiąże się to z wydłużeniem/skróceniem kalenicy dachu.
Poznaj praktyczne porady ekspertów, które ułatwią Ci każdy etap budowy i od wyboru wymarzonego domu po jego wykończenie. Zyskaj pewność, że podejmujesz najlepsze decyzje dzięki sprawdzonym wskazówkom od specjalistów z planz.pl
bezpłatnie (0zł)
przelew zwykły / PayNow
przy odbiorze
3-5 dni roboczych (jeśli projekt nie jest koncepcją)
Wybierz wygodny dla Ciebie czas kontaktu z naszym Doradcą Technicznym.