Bratek bez garażu B1



Wypełnij formularz i otrzymaj rysunki w pdf z dokładnymi wymiarami budynku i pomieszczeń (długość, szerokość, wysokość) dla projektu Bratek IV bez garażu B
Ilość pokoi 4 |
Pow. użytkowa 103.3 m² |
Powierzchnia zabudowy 143.7 m² |
Kondygnacje parterowy |
Garaż bez garażu |
Technologia murowany |
Szerokość działki 21 m |
Obiekt dom |
Typ domu jednorodzinny całoroczny |
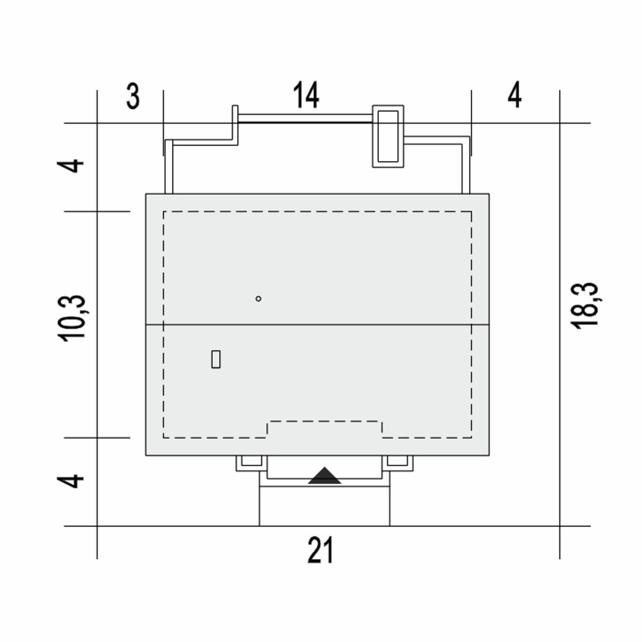
Szerokość budynku 14 m |
Liczba łazieniek 2 |
Długość budynku 10.3 m |
Piwnica bez podpiwniczenia |
Styl budynku nowoczesny |
Wysokość budynku 6.1 m |
Kalenica równoległa do drogi |
Długość działki 18.3 m |
Kąt nachylenia dachu 25 ° |
Rodzaj dachu dwuspadowy |
Koszty budowy 350-400 tys., tylko z kosztorysem |
Ilość pokoi 4 |
Powierzchnia zabudowy 143.7 m² |
Garaż bez garażu |
Szerokość działki 21 m |
Typ domu jednorodzinny całoroczny |
Liczba łazieniek 2 |
Piwnica bez podpiwniczenia |
Wysokość budynku 6.1 m |
Długość działki 18.3 m |
Rodzaj dachu dwuspadowy |
Pow. użytkowa 103.3 m² |
Kondygnacje parterowy |
Technologia murowany |
Obiekt dom |
Szerokość budynku 14 m |
Długość budynku 10.3 m |
Styl budynku nowoczesny |
Kalenica równoległa do drogi |
Kąt nachylenia dachu 25 ° |
Koszty budowy 350-400 tys., tylko z kosztorysem |
Kupując projekt w technologii murowanej powinieneś budować dom murowany. Zupełna zmiana technologii na szkieletową wymaga przeprojektowania całego budynku ( zmieniają się obciążenia, fundamenty, konstrukcja dachu). Wydamy zgodę na takie przeprojektowanie jednak wiążę się to z dużymi kosztami. Istnieją firmy wykonawcze, które podejmują się zmiany technologii budowy bezpłatnie przy skorzystaniu z ich usług wykonawczych. Zdarza się, że pracownia architektoniczna przygotowuje warianty konkretnego projektu przewidując także inne technologie. Prosimy o sprawdzenie czy istnieje poszukiwana wersja projektu, w zakładce - warianty projektu.
Zwężenie/poszerzenie budynku* to nic innego jak zmiana w projekcie. Istnieje możliwość wprowadzenia takich zmian, we własnym zakresie (podczas adaptacji). *zwężenie/poszerzenie budynku nie powinno stanowić problemu w przypadku domów o dachu dwuspadowym jeśli wiąże się to z wydłużeniem/skróceniem kalenicy dachu.
Poznaj praktyczne porady ekspertów, które ułatwią Ci każdy etap budowy i od wyboru wymarzonego domu po jego wykończenie. Zyskaj pewność, że podejmujesz najlepsze decyzje dzięki sprawdzonym wskazówkom od specjalistów z planz.pl
Wycena szacunkowa, w kwotach netto, nie zawiera instalacji.
bezpłatnie (0zł)
przelew zwykły / PayNow
przy odbiorze
3-5 dni roboczych (jeśli projekt nie jest koncepcją)
Wybierz wygodny dla Ciebie czas kontaktu z naszym Doradcą Technicznym.