Figa Neo



1. Wiatrołap | 4,10 m² |
2. Hol | 7,50 m² |
3. Kuchnia | 12,10 m² |
4. Spiżarnia | 1,50 m² |
5. Salon + schody | 27,70 m² |
6. Sypialnia | 12,00 m² |
7. Sypialnia | 11,30 m² |
8. Sypialnia | 9,70 m² |
9. Hol | 5,60 m² |
10. łazienka | 5,00 m² |
11. Wc | 2,50 m² |
12. Kotłownia* | 6,90 m² |
13. Garaż* | 18,30 m² |
Wypełnij formularz i otrzymaj rysunki w pdf z dokładnymi wymiarami budynku i pomieszczeń (długość, szerokość, wysokość) dla projektu Alf II z garażem 1-st. A
Ilość pokoi 4 |
Pow. użytkowa 99 m² |
Powierzchnia zabudowy 158 m² |
Kondygnacje parterowy |
Garaż 1 stanowisko |
Technologia murowany |
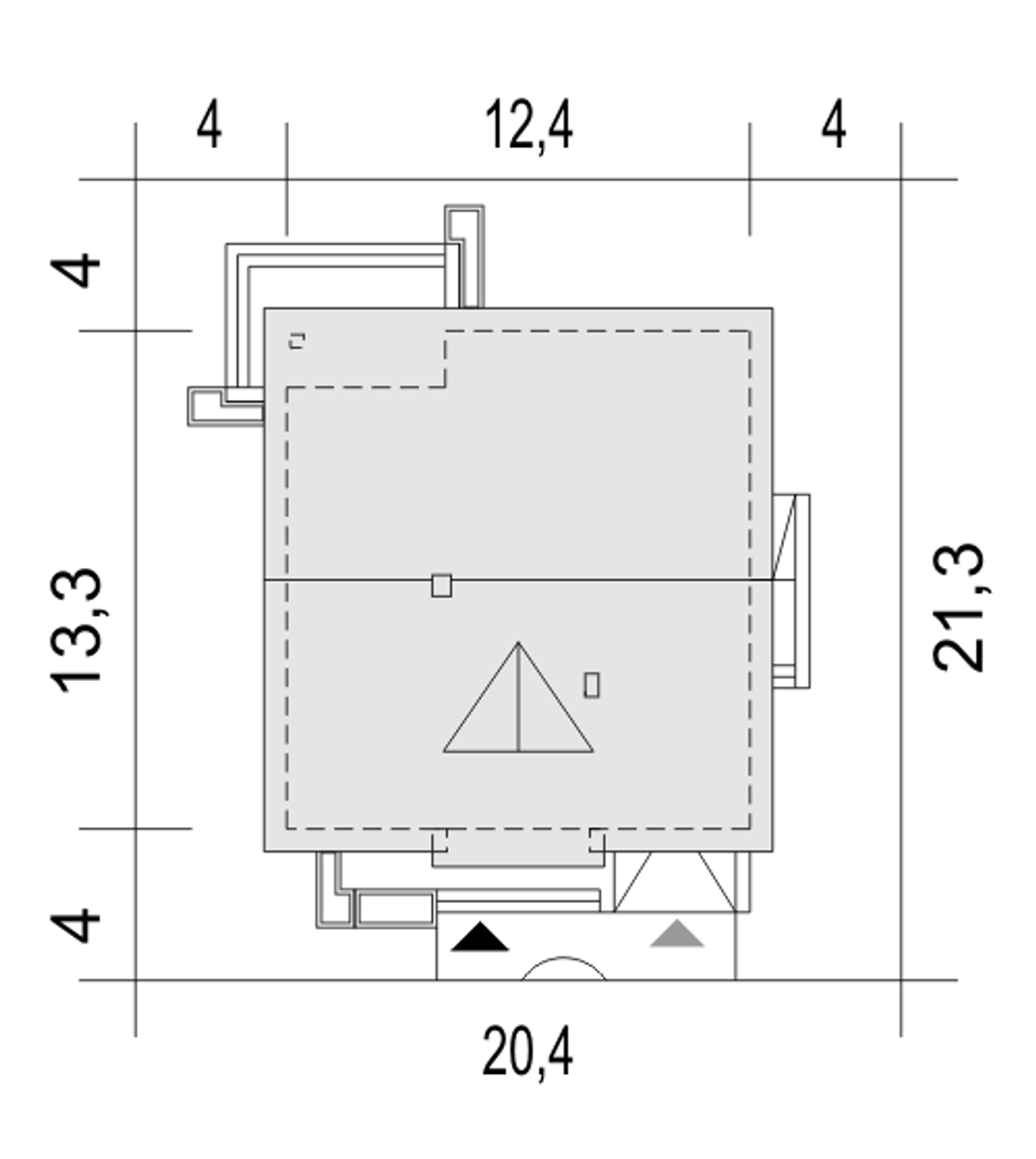
Szerokość działki 20.4 m |
Obiekt dom |
Typ domu jednorodzinny całoroczny |
Wysokość budynku 7.5 m |
Długość działki 21.3 m |
Styl budynku tradycyjny |
Liczba łazieniek 2 |
Kąt nachylenia dachu 30 ° |
Kominek kominek w projekcie |
Strop gęstożebrowy |
Szerokość budynku 12.4 m |
Rodzaj garażu w bryle |
Kotłownia duża kotłownia |
Kalenica równoległa do drogi |
Długość budynku 13.3 m |
Rodzaj dachu dwuspadowy |
Piwnica bez podpiwniczenia |
Powierzchnia dachu 225.5 m² |
Przechowywanie w kuchni spiżarnia |
Bryła budynku prosta bryła |
Funkcje dodatkowe ze strychem |
Koszty budowy tylko z kosztorysem, 250-300 tys. |
Ilość pokoi 4 |
Powierzchnia zabudowy 158 m² |
Garaż 1 stanowisko |
Szerokość działki 20.4 m |
Typ domu jednorodzinny całoroczny |
Długość działki 21.3 m |
Liczba łazieniek 2 |
Kominek kominek w projekcie |
Szerokość budynku 12.4 m |
Kotłownia duża kotłownia |
Długość budynku 13.3 m |
Piwnica bez podpiwniczenia |
Przechowywanie w kuchni spiżarnia |
Funkcje dodatkowe ze strychem |
Pow. użytkowa 99 m² |
Kondygnacje parterowy |
Technologia murowany |
Obiekt dom |
Wysokość budynku 7.5 m |
Styl budynku tradycyjny |
Kąt nachylenia dachu 30 ° |
Strop gęstożebrowy |
Rodzaj garażu w bryle |
Kalenica równoległa do drogi |
Rodzaj dachu dwuspadowy |
Powierzchnia dachu 225.5 m² |
Bryła budynku prosta bryła |
Koszty budowy tylko z kosztorysem, 250-300 tys. |
Kupując projekt w technologii murowanej powinieneś budować dom murowany. Zupełna zmiana technologii na szkieletową wymaga przeprojektowania całego budynku ( zmieniają się obciążenia, fundamenty, konstrukcja dachu). Wydamy zgodę na takie przeprojektowanie jednak wiążę się to z dużymi kosztami. Istnieją firmy wykonawcze, które podejmują się zmiany technologii budowy bezpłatnie przy skorzystaniu z ich usług wykonawczych. Zdarza się, że pracownia architektoniczna przygotowuje warianty konkretnego projektu przewidując także inne technologie. Prosimy o sprawdzenie czy istnieje poszukiwana wersja projektu, w zakładce - warianty projektu.
Zwężenie/poszerzenie budynku* to nic innego jak zmiana w projekcie. Istnieje możliwość wprowadzenia takich zmian, we własnym zakresie (podczas adaptacji). *zwężenie/poszerzenie budynku nie powinno stanowić problemu w przypadku domów o dachu dwuspadowym jeśli wiąże się to z wydłużeniem/skróceniem kalenicy dachu.
Poznaj praktyczne porady ekspertów, które ułatwią Ci każdy etap budowy i od wyboru wymarzonego domu po jego wykończenie. Zyskaj pewność, że podejmujesz najlepsze decyzje dzięki sprawdzonym wskazówkom od specjalistów z planz.pl
Wycena szacunkowa, w kwotach netto, nie zawiera instalacji.
bezpłatnie (0zł)
przelew zwykły / PayNow
przy odbiorze
3-5 dni roboczych (jeśli projekt nie jest koncepcją)
Wybierz wygodny dla Ciebie czas kontaktu z naszym Doradcą Technicznym.